公司简介
大事记
新闻中心
在线订单
联系我们
联系地图
新闻中心
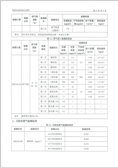
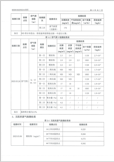
废气噪声监测报告
济南天齐特种平带有限公司
版权所有(C)2016
网站管理
企业邮局
著作权声明
鲁ICP备09037872号
鲁公网安备 37010402001309号