新闻中心

    济南天齐特种平带有限公司危险废物污染环境防治信息

    济南天齐特种平带有限公司成立于1990年4月,位于济南市槐荫区济齐路92号,经营范围主要为高速传动带、高强度传动带、轻型输送带、锭带、胶辊、胶圈、软胶带、搓皮板、辊包皮的生产、加工、销售、维修等。

    2011年1月公司投资建设了新型高强复合材料节电传动带产业化项目,项目于2011年1月18日取得了济南市环境保护局对该项目的环评审批意见(济环报告表[2011]6号),2016年11月15日通过了济南市槐荫区环境保护局对该项目的竣工环境保护验收(济槐环建验[2016]第081号)。该项目于2020年4月首次进行了排污许可证登记。现该项目正常运行。

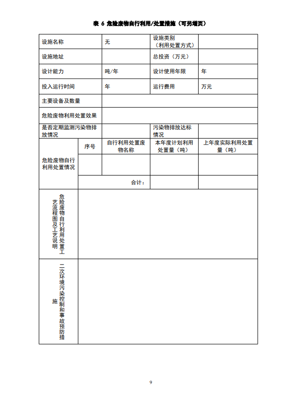
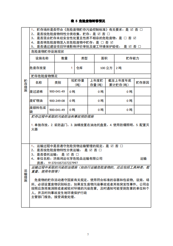
    公司危险废物主要有:环保设施运行过程中产生的废活性炭、废过滤棉,配料过程中产生的废颜料包装带,设备维修过程中产生的废矿物油、废电路板。